CAIU NO ENEM!
CAIU NO VESTIBULAR!
2018
A (FCMSCSP 2018) A figura representa um trecho de uma instalação residencial onde estão ligados um ferro de passar e uma lavadora de roupas. A resistência elétrica do ferro é RF = 12 Ω e a lavadora tem força contraeletromotriz E’ = 100 V e resistência interna r’ = 4 Ω.

Para proteger esse trecho do circuito será instalado, na posição indicada na figura, um fusível F escolhido dentre cinco opções diferentes, F1, F2, F3, F4 e F5, que suportam, respectivamente, correntes elétricas máximas de 5, 10, 20, 30 e 40 ampères. Para que esses dois aparelhos elétricos possam funcionar simultaneamente, pode-se instalar
- a) apenas os fusíveis F3, F4 e F5.
- b) apenas o fusível F5.
- c) qualquer um dos cinco fusíveis disponíveis.
- d) apenas os fusíveis F2, F3, F4 e F5.
- e) apenas os fusíveis F4 e F5.
A (FGV SP 2018) A figura representa um circuito em que consta um gerador de corrente contínua de força eletromotriz 24 V e resistência interna de 2,0 Ω. O gerador alimenta uma associação em paralelo de um resistor ôhmico de 10 Ω e um solenoide com certos comprimento e número de espiras, com resistência ôhmica de 15 Ω.
A potência útil fornecida pelo gerador é, em watts, de
- a) 54,0.
- b) 48,6.
- c) 42,0.
- d) 36,0.
- e) 32,4.
2015
- a) 50,0 cm e 50,0 cm
- b) 60,0 cm e 40,0 cm
- c) 40,0 cm e 60,0 cm
- d) 80,0 cm e 20,0 cm
- e) 20,0 cm e 80,0 cm
2013
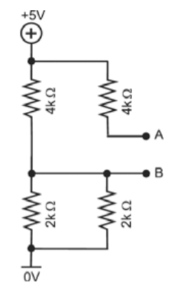
B (FUVEST 2013) No circuito da figura a seguir, a diferença de potencial, em módulo, entre os pontos A e B é de
- a) 5 V.
- b) 4 V.
- c) 3 V.
- d) 1 V.
- e) 0 V.
D (UFRN 2013) Em uma situação em que a bateria de um carro está descarregada e, portanto, não é possível dar a partida no motor, geralmente uma bateria carregada é ligada à bateria do carro para fazê-lo funcionar.
As figuras I e II abaixo representam duas alternativas para interligar as duas baterias através de fios condutores.
A figura que representa a ligação correta é a
- a) II, cuja ligação é do tipo em série.
- b) II, cuja ligação é do tipo em paralelo.
- c) I, cuja ligação é do tipo em série.
- d) I, cuja ligação é do tipo em paralelo.
2011
C (UNESP 2011) Uma espécie de peixe-elétrico da Amazônia, o Poraquê, de nome científico Electrophorous electricus, pode gerar diferenças de potencial elétrico (ddp) entre suas extremidades, de tal forma que seus choques elétricos matam ou paralisam suas presas. Aproximadamente metade do corpo desse peixe consiste de células que funcionam como eletrocélulas. Um circuito elétrico de corrente contínua, como o esquematizado na figura, simularia o circuito gerador de ddp dessa espécie. Cada eletrocélula consiste em um resistor de resistência R = 7,5 W e de uma bateria de fem ε.
Sabendo-se que, com uma ddp de 750 V entre as extremidades A e B, o peixe gera uma corrente I = 1,0 A, a fem ε em cada eletrocélula, em volts, é:
- a) 0,35.
- b) 0,25.
- c) 0,20.
- d) 0,15.
- e) 0,05.
B (UFRN 2011) No mundo atual, é muito difícil viver sem a eletricidade e seus benefícios. No entanto, o seu uso adequado envolve o domínio técnico associado a conceitos e princípios físicos. Neste sentido, considere um ramo de um circuito residencial montado por estudantes em uma aula prática de eletricidade, composto pelos seguintes elementos : um disjuntor (D), uma lâmpada (L), um interruptor (I), o fio neutro e o fio fase.
O circuito que está corretamente montado é o representado pela opção
2010
E (UTFPR 2010-2) Um automóvel tem entre seus componentes uma bateria e um alternador. Sobre esses componentes considere as seguintes afirmações:
I) a bateria é um gerador eletromecânico.
II) o alternador tem a função de recarregar eletricamente a bateria.
III) o alternador é um gerador eletromecânico.
IV) a bateria, entre outras funções, fornece corrente elétrica para acender os faróis do carro.
É correto o que se afirma apenas em:
- a) I.
- b) II.
- c) II e IV.
- d) II e III.
- e) II, III e IV.




